通徑
|
測(cè)量范圍
|
工作壓力(Mpa)
|
|
水(L/h)
|
空氣(NL/min)
|
||
15
|
30-300
60-600
80-800
|
10-100
20-200
25-250
|
≤0.8
|
20
|
90-900
120-1200
180-1800
|
20-200
30-300
50-500
|
|
25
|
180-1800
300-3000
480-4800
|
50-500
100-1000
150-1500
|
|
32
|
480-4800
600-6000
720-7200
|
200-2000
250-2500
300-3000
|
|
40
|
1-10m3/h
1.2-12m3/h
1.5-15m3/h
|
18-180Nm3/h
20-200 Nm3/h
25-250 Nm3/h
|
≤0.6
|
50
|
1.2-12m3/h
1.5-15m3/h
1.8-18m3/h
|
20-200 Nm3/h
25-250 Nm3/h
30-300 Nm3/h
|
|
65
|
1.8-18m3/h
3-30m3/h
4-40m3/h
|
25-250 Nm3/h
35-350 Nm3/h
40-400 Nm3/h
|
|
80
|
4-40m3/h
5-50m3/h
6-60m3/h
|
40-400 Nm3/h
50-500 Nm3/h
60-600 Nm3/h
|
≤0.4
|
100
|
6-60m3/h
7-70m3/h
10-100m3/h
|
60-600 Nm3/h
70-700 Nm3/h
90-900 Nm3/h
|

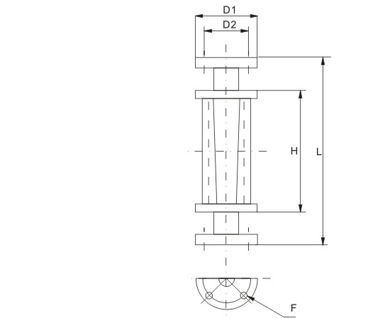
LZB-FA100玻璃轉(zhuǎn)子流量計(jì)外形安裝尺寸(mm)
型號(hào) | FA100-15 | FA100-20 | FA100-25 | FA100-32 | FA100-40 | FA100-50 | FA100-65 | FA100-80 | FA100-100 |
L | 260 | 340 | 340 | 340 | 340 | 340 | 390 | 390 | 410 |
H | 150 | 200 | 200 | 200 | 200 | 200 | 250 | 250 | 250 |
D1 | 95 | 105 | 115 | 135 | 145 | 160 | 180 | 185 | 205 |
D2 | 65 | 75 | 85 | 100 | 110 | 125 | 145 | 150 | 170 |
F | 4-¢14 | 4-¢14 | 4-¢14 | 4-¢14 | 4-¢14 | 4-¢14 | 4-¢14 | 4-¢18 | 4-¢18 |