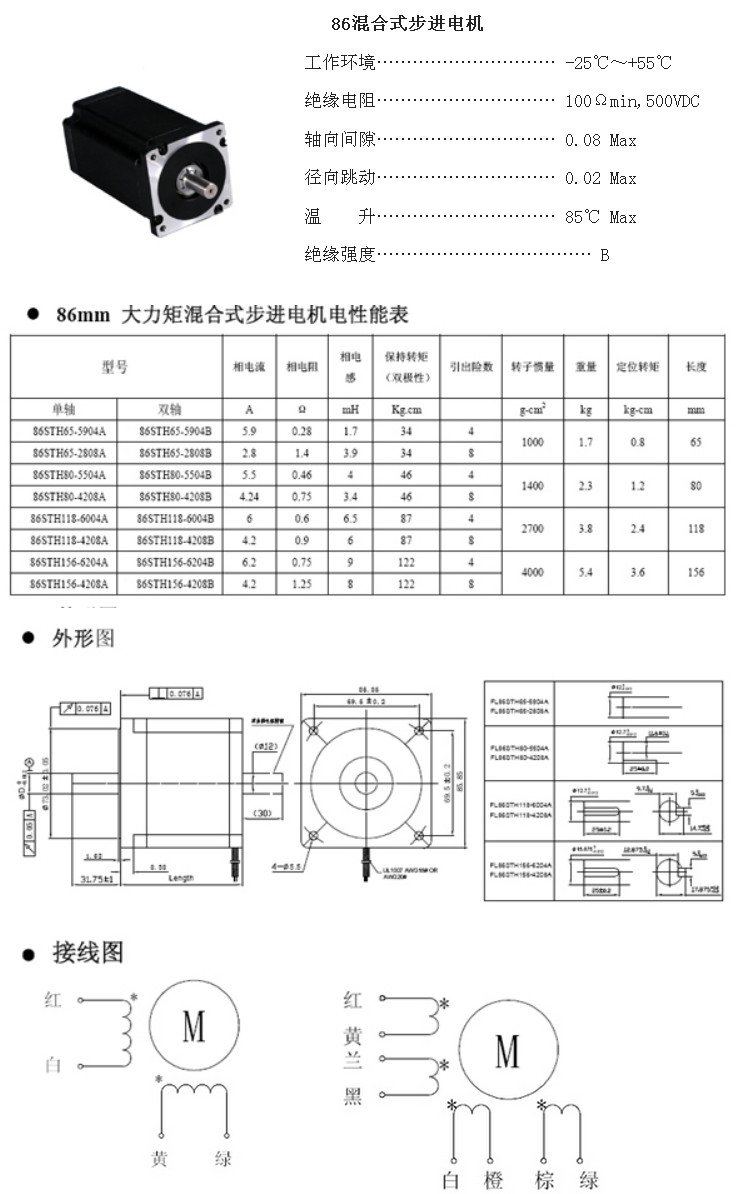
86STH65-5904A,86STH65-2808A,86STH80-5504B,86STH80-4208B,86混合式步進(jìn)電機(jī)
86STH118-6004A,86STH118-4208A,86STH156-6204A,86STH156-4208A,
86STH80-5504A,86STH80-4208A,86STH65-5904B,86STH65-2808B,
86STH118-6004B,86STH118-4208B,86STH156-6204B,86STH156-4208B,
