How To Order
How to order
|
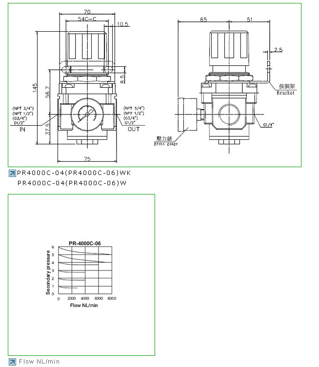
PR4000C-04 | PR4000C-06 |
Port size |
G 1/ 2 ”
|
G 3/ 4”
|
Max. supply pressure |
15 kgf/cm2
|
|
Max. operating pressure |
9.9 kgf/cm2
|
|
Regulating range |
0.5~8.5 kgf/cm2
|
|
Port size for pressure gauge |
G 1/ 4”
|
|
Ambient and media temperature |
-5~ 60 °C
|
|
Weight |
0.72 kgf
|

Accessories
How to order
|
Appellation
|
W522
|
Bracket
|
K40210
|
1/4 PT Pressure gauge 0~10bar
|