Technical Data.
5/2 Mechanical button, manually selection switch
Position
|
5/2 Way
|
Port size
|
G 1/8”
|
Effective area
|
12mm2 (Cv=0.67)
|
Nominal flow
|
670 Nl/min
|
Fluid
|
Compressed air
|
Pressure range
|
1.5~8bar(22~115psi)
|
Operating temperture
|
5~60°C (41~140°F)
|
Weight
|
0.10 kg
|


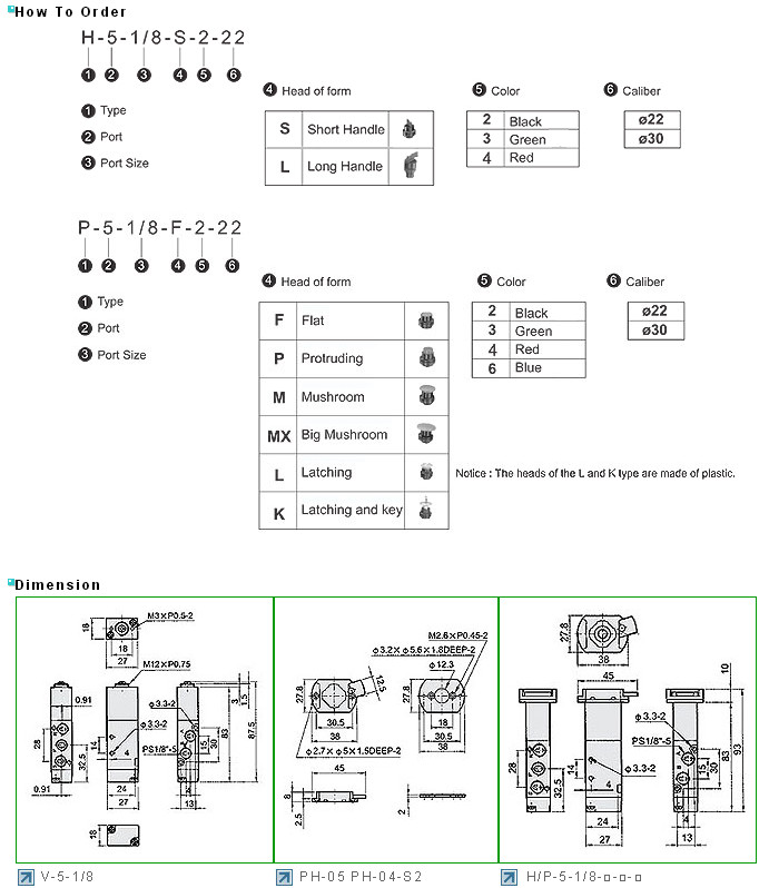
H-5-1/8-L-2-22,H-5-1/8-L-2-30,H-5-1/8-L-3-30,H-5-1/8-L-4-22,H-5-1/8-L-4-30,
P-5-1/8-F-2-22,P-5-1/8-F-3-22,neuma,P-5-1/8-F-3-30,
P-5-1/8-F-4-22,P-5-1/8-F-4-30,P-5-1/8-F-6-22,P-5-1/8-F-6-30,
P-5-1/8-P-2-22,P-5-1/8-P-2-30,P-5-1/8-P-3-22,P-5-1/8-P-3-30,
P-5-1/8-P-4-22,P-5-1/8-P-4-30,P-5-1/8-P-6-22,P-5-1/8-P-6-30,
P-5-1/8-M-2-22,P-5-1/8-M-2-30,P-5-1/8-M-3-22,P-5-1/8-M-3-30,
P-5-1/8-M-4-22,P-5-1/8-M-4-30,P-5-1/8-M-6-22,P-5-1/8-M-6-30,
P-5-1/8-MX-2-22,P-5-1/8-MX-2-30,P-5-1/8-MX-3-22,P-5-1/8-MX-3-30,
P-5-1/8-MX-4-22,P-5-1/8-MX-4-30,P-5-1/8-MX-6-22,P-5-1/8-MX-6-30,
P-5-1/8-L-2-22,P-5-1/8-L-2-30,P-5-1/8-L-3-22,P-5-1/8-L-3-30,
P-5-1/8-L-4-22,P-5-1/8-L-4-30,P-5-1/8-L-6-22,P-5-1/8-L-6-30,
P-5-1/8-K-2-22,P-5-1/8-K-2-30,neuma,P-5-1/8-K-3-30,
P-5-1/8-K-4-22,P-5-1/8-K-4-30,P-5-1/8-K-6-22,P-5-1/8-K-6-30,