Technical Data
Model
|
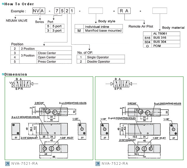
NVA-7521-RA
|
NVA-7522-RA
|
NVA-7532-RA
|
NVA-7542-RA
|
NVA-7552-RA
|
|
Position
|
5/2 Way
|
5/3 Way
|
||||
Port size
|
G 3/8”
|
|||||
Effective area
|
30mm2 (Cv=1.68)
|
18mm2 (Cv=1.0)
|
||||
Nominal flow
|
1680 Nl/min
|
1000 Nl/min
|
||||
Fluid
|
Compressed air
|
|||||
Pressure range
|
2~10 bar (29~144psi)
|
|||||
Operating temperature
|
5~60°C (41~140°F)
|
|||||
Weight
|
0.22 kg
|
0.24kg
|
0.38kg
|

